Lahden kampus: Päivitys vesivahinkotilanteeseen M19-rakennuksen C2-kerroksessa
16.10.2025 (julkaisupäivämäärä)
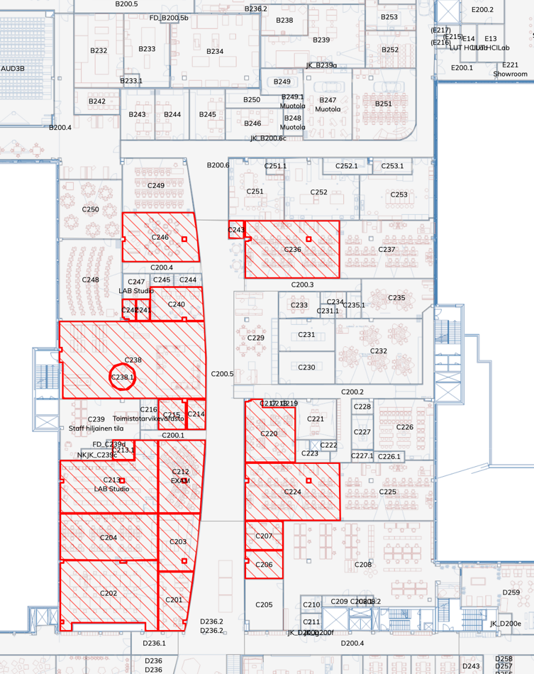
Päivitys vesivahinkotilanteeseen M19_C2-käytävällä 15.10.2025
Urakoitsija on saanut valmiiksi tilat C201, C202, C204, C206, C207, C214 ja C215.
Seuraavaksi valmistuu henkilöstötila C238, ja käytäväkorjaukset saatetaan loppuun viikon 38 aikana.
Neuvotteluhuoneet C214 ja C215 ovat nyt myös opiskelijoiden käytettävissä. Varausoikeudet ovat edelleen vain henkilöstöllä, mutta opiskelijat voivat käyttää tiloja silloin, kun niissä ei ole varauksia.
Ajantasainen lista neuvotteluhuoneista, joihin opiskelijoilla on pääsy, löytyy varattavien tilojen sivulta.
Lisätietoja saat tilapalveluilta: tilapalvelut.lahti@lut.fi
